
INCH-POUND
MIL-DTL-6363/5A
30 September 1997
SUPERSEDING
MIL-L-6363/5
13 September 1993
DETAIL SPECIFICATION SHEET
LAMPS, INCANDESCENT, AIRCRAFT SERVICE, SUBMINIATURE
UNBASED WIRE TERMINALS, INTEGRAL LIGHTING T-1 BULB
This specification is approved for use by all Departments and Agencies
of the Department of Defense
The requirements for acquiring the product described herein shall consist of this specification
and MIL-DTL-6363.
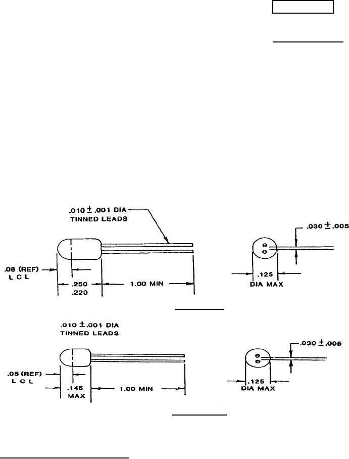
FIGURE 1. Full envelope.
FIGURE 2. Short envelope.
AMSC N/A
1 of 6
FSC 6240
DISTRIBUTION STATEMENT A. Approved for public release; distribution is unlimited.
For Parts Inquires call Parts Hangar, Inc (727) 493-0744
© Copyright 2015 Integrated Publishing, Inc.
A Service Disabled Veteran Owned Small Business