
INCH-POUND
MIL-DTL-6363/11A
30 September 1997
SUPERSEDING
MIL-L-6363/11
25 September 1992
DETAIL SPECIFICATION SHEET
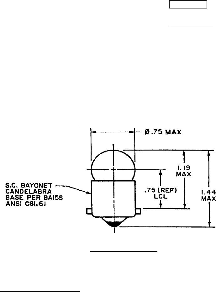
LAMPS, INCANDESCENT, AIRCRAFT SERVICE, SINGLE CONTACT
BAYONET CANDELABRA BASE, G-6 BULB
This specification is approved for use by all Departments and Agencies
of the Department of Defense
The requirements for acquiring the product described herein shall consist of this specification
and MIL-DTL-6363.
FIGURE 1. Configuration and dimensions.
See NOTES on the next page.
AMSC N/A
1 of 4
FSC 6240
DISTRIBUTION STATEMENT A. Approved for public release; distribution is unlimited.
For Parts Inquires call Parts Hangar, Inc (727) 493-0744
© Copyright 2015 Integrated Publishing, Inc.
A Service Disabled Veteran Owned Small Business