
INCH-POUND
MIL-DTL-15098/10D
23 August 2010
SUPERSEDING
MIL-L-15098/10C
22 August 1983
DETAIL SPECIFICATION SHEET
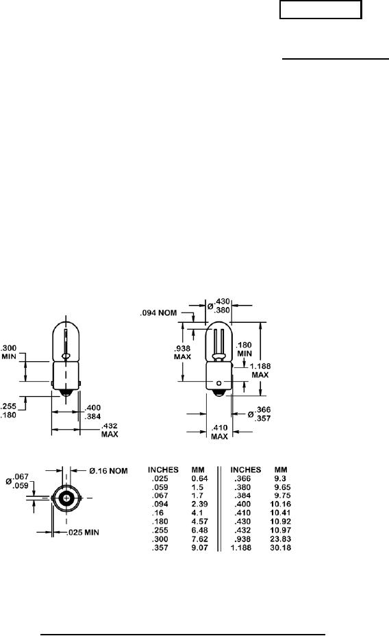
LAMPS, GLOW, INDICATOR, TYPES B1A, B1AR, B2A, AND B2AR
This specification is approved for use by all Departments and Agencies of the Department of
Defense.
The requirements for acquiring the product described herein shall consist of this specification
sheet and MIL-DTL-15098, "Lamps, Glow, General Specification for".
NOTES:
1. Dimensions are in inches.
2. Metric equivalents are given for general information only and are based upon 1 inch = 25.4 mm.
FIGURE 1. Indicator glow lamp, types B1A, B1AR, B2A, and B2AR.
AMSC N/A
FSC 6240
For Parts Inquires call Parts Hangar, Inc (727) 493-0744
© Copyright 2015 Integrated Publishing, Inc.
A Service Disabled Veteran Owned Small Business