A-A-52463B

|
Type III PIN Number |
Trade No. |
Candle Power |
Design |
Filament Constr. |
Avrage Life (hours) |
Former MS Part Number |
|||
|
Maj Fil |
Min Fil. |
Volts |
Amps |
||||||
|
Maj Fil |
Min Fil |
||||||||
|
AA52463-C01 |
1154 |
21 ± 8% |
3 ± 12%
|
6.4/7.0 |
2.69 ± 5% |
.75 ± 8% |
2C-6 |
200/2000 |
MS35481-1 |
|
AA52463-C02 |
1016 |
21 (2) |
6 (2) |
12.8/14.0 |
1.26 (2) |
.57 (2) |
2C-6 |
200/1000 |
MS35481-2 |
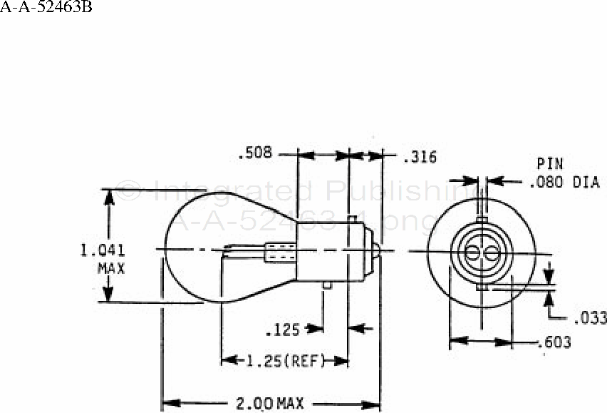
NOTES: 1. Dimensions are in inches (see 3.2) and are shown for engineering reference purposes only. Do not scale.
2. “Candle power” and “ampere” ratings are in accordance with manufacturer’s information.
FIGURE 3. BAY15d Double-contact, bayonet base, S8 bulb (type III).
For Parts Inquires call Parts Hangar, Inc (727) 493-0744
© Copyright 2015 Integrated Publishing, Inc.
A Service Disabled Veteran Owned Small Business