emilspec
An Integrated Publishing, Inc. Site
eMilSpec
An Integrated Publishing Website
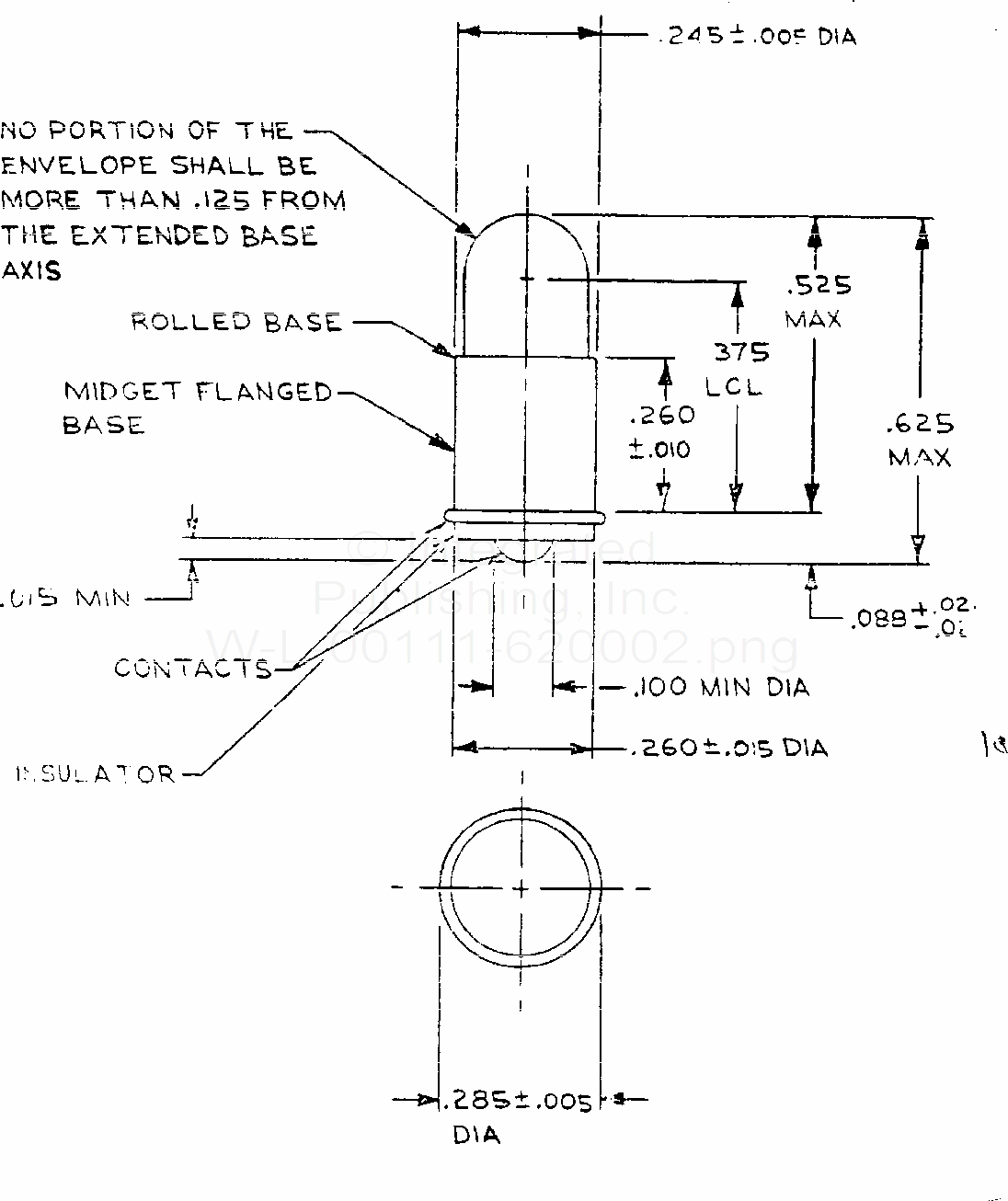
Lamp, Incandescent, Sub-Miniature Trade No. 367, T - 1 3/4 Clear Bulb, Single Contact Midget Flanged Base, C-2F Filament
For Parts Inquires call
Parts Hangar, Inc
(727) 493-0744
© Copyright 2015 Integrated Publishing, Inc.
A Service Disabled Veteran Owned Small Business