emilspec
An Integrated Publishing, Inc. Site
eMilSpec
An Integrated Publishing Website
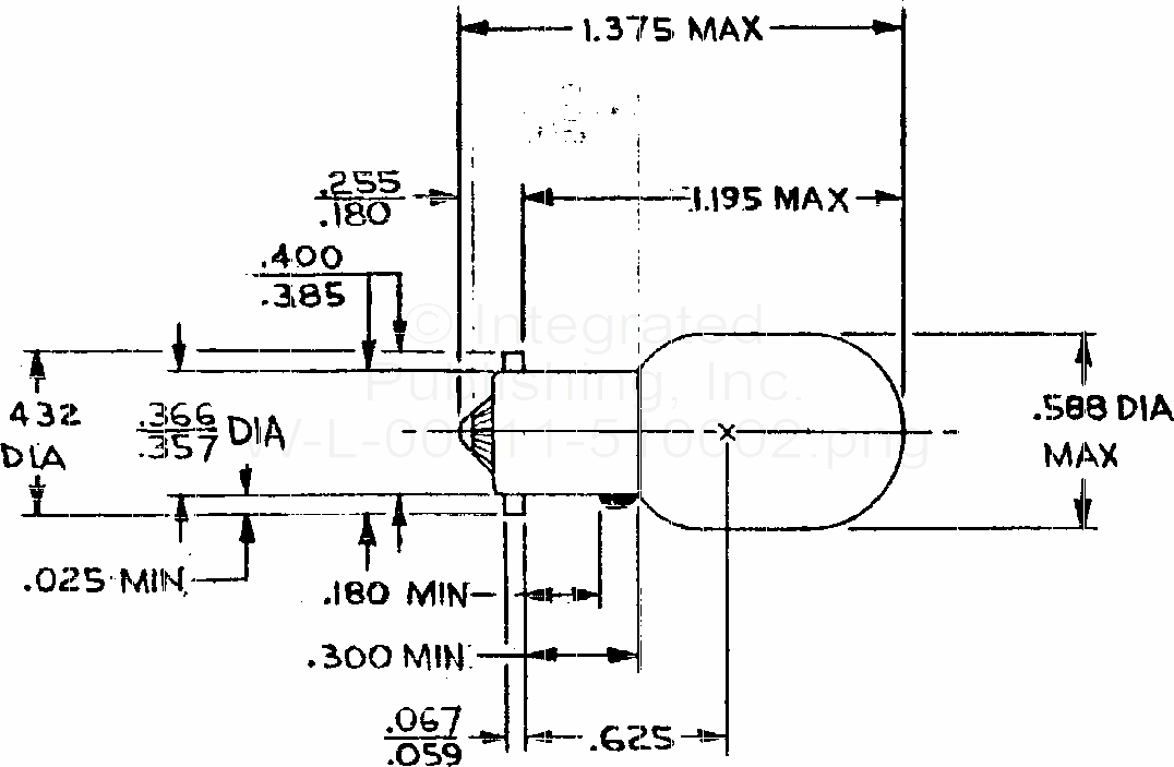
Lamp, Incandescent, Miniature Trade No. 1495, T - 4 1/2 Clear Bulb, Single Contact, Miniature Bayonet Base, C-2F Filament (S/S By Ms25069)
For Parts Inquires call
Parts Hangar, Inc
(727) 493-0744
© Copyright 2015 Integrated Publishing, Inc.
A Service Disabled Veteran Owned Small Business